Trang chủ > Sản phẩm > Chống sét lan truyền đường nguồn > Thiết bị chống sét V50-B+C4-280 | 5093631
Thiết bị chống sét phối hợp Type 1+2 là giải pháp bảo vệ toàn diện cho mạng điện TN-C trước xung sét trực tiếp và quá áp lan truyền. Với khả năng thoát sét 12.5kA/cực, mức bảo vệ tối ưu ($< 1.3 \, \text{kV}$) và công nghệ Varistor ZnO đóng kín không phát hồ quang, sản phẩm đảm bảo an toàn tuyệt đối cho hệ thống điện. Thiết kế nguyên bộ tích hợp đế Multibase giúp tối ưu hóa việc lắp đặt trong các tủ phân phối tiêu chuẩn.
| Max continuous voltage AC | 280 V |
|---|---|
| Poles | 4 |
| Protection type | IP20 |
| Maximum discharge current | 50kA |
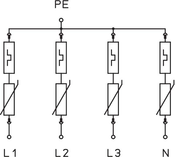
Thiết bị chống sét phối hợp (SPD) – Type 1+2
Tiêu chuẩn: Đáp ứng DIN EN 61643-11 và liên kết đẳng thế chống sét theo VDE 0185-305 (IEC 62305).
Khả năng thoát sét (10/350): Đạt 12.5 kA mỗi cực.
Hệ thống lưới điện: Chuyên dụng cho mạng điện TN-C.
Đế Multibase mới: Đi kèm đế đa kết nối (multi-connection terminals) thế hệ mới, hỗ trợ đấu nối linh hoạt.
Thiết kế nguyên bộ: Gồm phần thân (module) và đế, đã lắp sẵn, sẵn sàng đấu nối ngay.
Cơ chế an toàn: Module dạng cắm tích hợp bộ ngắt mạch động học và hiển thị trạng thái hoạt động trực quan.
Mức bảo vệ (Up): $< 1.3 \, \text{kV}$.
Công nghệ Varistor (ZnO): Thiết kế đóng kín, không phát hồ quang, an toàn khi lắp đặt trong các vỏ tủ phân phối tiêu chuẩn.
Đấu nối: Các cổng kết nối được dán nhãn ký hiệu rõ ràng.
Ứng dụng: Thiết lập liên kết đẳng thế chống sét cho tòa nhà (bao gồm công trình có hệ thống chống sét bên ngoài Cấp III và IV) và lắp đặt trong các tủ phân phối tiêu chuẩn.
*Trọn bộ gồm: Module cắm và đế.
| Arrester surge current (8/20 µs) [total] | 120 kA |
|---|---|
| Blow-out | no |
| CO2 Footprint (GWP) Cradle-to-Gate | 1,6472 kg CO2e / 1 Piece |
| Conductor cross-section, rigid (single-wire/multiwire), max. | 35 mm² |
| Conductor cross-section, rigid (single-wire/multiwire), min. | 2,5 mm² |
| DC network form | no |
| Dimension | 280V |
| Installation type | DIN rail 35 mm |
| Integrated back-up fuse | no |
| IT network form | no |
| Lightning protection zone LPZ | 0→2 |
| Lightning surge current (10/350 μs) | 12,5 kA |
| Lightning surge current (10/350) | 50 kA |
| Max. mains-side overcurrent protection | 125 |
| Maximum back-up fuse | 125 A |
| Maximum continuous voltage AC | 280 V |
| Maximum discharge current (8/20 μs) | 50 kA |
| Network form | Other |
| Nominal discharge current (8/20 µs) | 30 kA |
| Nominal discharge current (8/20 µs) [L-N] | 30 kA |
| Nominal voltage AC (50/60 Hz) | 230 V |
| Operating temperature, max. | 80 °C |
| Operating temperature, min. | -40 °C |
| Other network form | no |
| Permitted temperature range, max. | 80 °C |
| Permitted temperature range, min. | -40 °C |
| Pole number | 4 |
| Pole version | 4 |
| Protection level [L-N] | ≤1,3 |
| Protection rating | IP20 |
| Remote signalling | no |
| Response time | <25 ns |
| Signalling on device | Visual |
| SPD to EN 61643-11 | Type 1+2 |
| SPD to IEC 61643-1 | Class I+II |
| TN network form | yes |
| TN-C network form | no |
| TN-C-S network form | yes |
| TN-S network form | yes |
| TT network form | no |
| Version for | 4-pole |