Trang chủ > Sản phẩm > Chống sét lan truyền đường nguồn > Thiết bị chống sét V50-B+C 1+NPE+FS | 5093661
Thiết bị chống sét phối hợp Type 1+2 là giải pháp bảo vệ toàn diện cho hệ thống điện TN/TT trước xung sét trực tiếp và quá áp lan truyền. Với khả năng thoát sét 12.5kA/cực, mức bảo vệ thấp ($< 1.3 \, \text{kV}$) và công nghệ Varistor ZnO đóng kín, sản phẩm đảm bảo an toàn tuyệt đối cho các thiết bị nhạy cảm. Thiết kế nguyên bộ tích hợp tùy chọn cảnh báo từ xa (FS) giúp tối ưu hóa việc quản lý hệ thống điện tòa nhà.
| Max continuous voltage AC | 280 V |
|---|---|
| Poles | 1+N/PE |
| Protection type | IP20 |
| Maximum discharge current | 50kA |
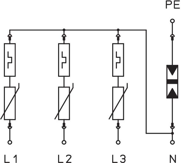
Thiết bị chống sét phối hợp (SPD) – Type 1+2
Tiêu chuẩn: Đáp ứng DIN EN 61643-11 và liên kết đẳng thế chống sét theo VDE 0185-305 (IEC 62305).
Khả năng thoát dòng sét (10/350): Đạt 12.5 kA mỗi cực.
Hệ thống lưới điện: Sử dụng linh hoạt cho mạng điện TN và TT.
Thiết kế Multibase: Đi kèm đế đa kết nối, hỗ trợ nhiều dạng đầu cốt.
Cơ chế an toàn: Module dạng cắm tích hợp bộ ngắt mạch động học và hiển thị trạng thái hoạt động.
Mức bảo vệ (Up): $< 1.3 \, \text{kV}$.
Công nghệ Varistor (ZnO): Dạng đóng kín, không phát hồ quang, an toàn khi lắp trong vỏ tủ phân phối tiêu chuẩn.
Giám sát từ xa (Phiên bản FS): Tích hợp tiếp điểm khô NO để truyền tín hiệu cảnh báo.
Ứng dụng: Liên kết đẳng thế cho tòa nhà (bao gồm công trình có hệ thống chống sét bên ngoài Cấp III và IV) và lắp đặt trong các tủ phân phối tiêu chuẩn.
*Trọn bộ gồm: Module cắm và đế.
| Arrester surge current (8/20 µs) [total] | 50 kA |
|---|---|
| Blow-out | no |
| CO2 Footprint (GWP) Cradle-to-Gate | 1,1123 kg CO2e / 1 Piece |
| Conductor cross-section, rigid (single-wire/multiwire), max. | 35 mm² |
| Conductor cross-section, rigid (single-wire/multiwire), min. | 2,5 mm² |
| DC network form | no |
| Dimension | 280V |
| Installation type | DIN rail 35 mm |
| Integrated back-up fuse | no |
| IT network form | no |
| Lightning protection zone LPZ | 0→2 |
| Lightning surge current (10/350 μs) | 12,5 kA |
| Lightning surge current (10/350) | 25 kA |
| Max. mains-side overcurrent protection | 125 |
| Maximum back-up fuse | 125 A |
| Maximum continuous voltage (N-PE) | 255 V |
| Maximum continuous voltage AC | 280 V |
| Maximum discharge current (8/20 μs) | 50 kA |
| Network form | Other |
| Nominal discharge current (8/20 µs) | 30 kA |
| Nominal discharge current (8/20 µs) [L-N] | 30 kA |
| Nominal discharge current (8/20 µs) [N-PE] | 50 kA |
| Nominal voltage AC (50/60 Hz) | 230 V |
| Operating temperature, max. | 80 °C |
| Operating temperature, min. | -40 °C |
| Other network form | no |
| Permitted temperature range, max. | 80 °C |
| Permitted temperature range, min. | -40 °C |
| Pole number | 1 |
| Pole version | 1+N/PE |
| Protection level [L-N] | ≤1,3 |
| Protection rating | IP20 |
| Remote signalling | yes |
| Response time | <25 ns |
| Signalling on device | Visual |
| SPD to EN 61643-11 | Type 1+2 |
| SPD to IEC 61643-1 | Class I+II |
| TN network form | yes |
| TN-C network form | no |
| TN-C-S network form | yes |
| TN-S network form | yes |
| TT network form | yes |
| Version for | 1+NPE + FS |