Thiết bị chống sét V10 COMPACT 255 | 5093380

Giải pháp bảo vệ quá áp tối ưu với thiết kế mô-đun siêu gọn nhẹ chỉ 45 mm, kết hợp khả năng bảo vệ của cả Loại 2 và Loại 3. Sản phẩm sở hữu tổng công suất thoát dòng ấn tượng lên đến 60 kA, sử dụng công nghệ Varistor hiệu suất cao phù hợp cho các hệ thống lưới điện TN và TT.

Với tính năng ngắt mạch kép (nhiệt và động) cùng hiển thị trạng thái trực quan, đây là lựa chọn hoàn hảo cho các tủ điện tầng và bảo vệ các thiết bị nhạy cảm trong hệ thống điện xoay chiều.

TƯ VẤN MUA HÀNG
Xuất xứ:
Đức
Nhà sản xuất:

Thông số kỹ thuật:

Additional information

Max continuous voltage AC

255 V

Maximum discharge current

20kA

Poles

3+N/PE

Protection type

IP20

Nội dung sản phẩm

Thiết bị chống sét V10 COMPACT 255 (Loại 2+3)

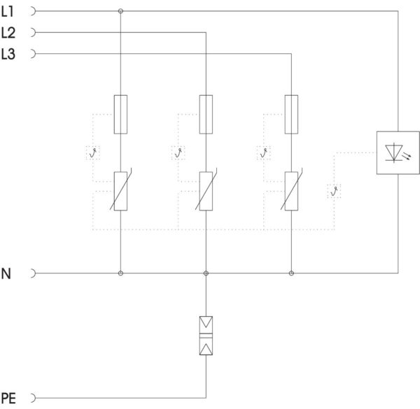
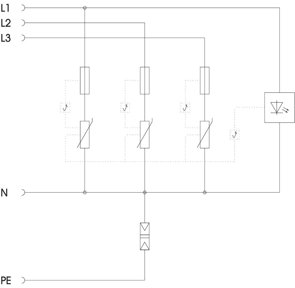
  • Phân loại: Thiết bị chống sét lan truyền dạng mô-đun nhỏ gọn (compact module), Loại 2+3.

  • Thông số kỹ thuật:

    • Khả năng thoát dòng: Tổng công suất thoát dòng đạt tới 60 kA (8/20).

    • Tiêu chuẩn: Bảo vệ quá áp trong các tủ phân phối phụ theo VDE 0100-443 (IEC 60364-4-44).

  • Tính năng thiết kế:

    • Giải pháp tích hợp 3+1: Phù hợp cho cả hệ thống mạng điện TN và TT với độ rộng mô-đun chỉ 45 mm.

    • Công nghệ: Sử dụng công nghệ Varistor hiệu suất cao.

    • An toàn: Tích hợp bộ phận ngắt mạch nhiệt và ngắt mạch động, cùng cửa sổ hiển thị trạng thái hoạt động trực quan.

  • Ứng dụng: Tủ phân phối phụ hoặc tủ điện tầng, cũng như bảo vệ thiết bị trong hệ thống điện dòng xoay chiều.

Thông số kỹ thuật chi tiết

Arrester surge current (8/20 µs) [total] 60
kA
Blow-out no
CO2 Footprint (GWP) Cradle-to-Gate 13,3687 kg CO₂e / 1 Piece
Conductor cross-section, rigid (single-wire/multiwire), max. 10
mm²
Conductor cross-section, rigid (single-wire/multiwire), min. 2,5
mm²
Dimension 255V
Follow current quenching capacity (eff) [N-PE] 0,1
kA
Installation type DIN rail 35 mm
Integrated back-up fuse no
Lightning protection zone LPZ 1→3
Max. mains-side overcurrent protection 63
Maximum back-up fuse 63
A
Maximum continuous voltage AC 255
V
Maximum discharge current (8/20 μs) 20
kA
Network form Other
Nominal discharge current (8/20 µs) 10
kA
Nominal voltage AC (50/60 Hz) 230
V
Operating temperature, max. 80
°C
Operating temperature, min. -40
°C
Permitted temperature range, max. 80
°C
Permitted temperature range, min. -40
°C
Pole version 3+N/PE
Protection rating IP20
Remote signalling no
Response time <25
ns
Signalling on device Visual
SPD to EN 61643-11 Type 2+3
SPD to IEC 61643-1 Class II+III
Suitable for outdoor use no
Test class, type 2 yes
Test class, type 3 yes
TN network form yes
TN-C-S network form yes
TN-S network form yes
TT network form yes
Version for 3+NPE

Downloads and CAD

PDF
Thông tin sản phẩm
TBS-V10_COMPACT_255-5093380-en
PDF, 191 KB

SẢN PHẨM NỔI BẬT

liên hệ

Liên hệ mua hàng