Trang chủ > Sản phẩm > Chống sét lan truyền đường tín hiệu > Thiết bị chống sét MDP-4 D-5-T-10 | 5098413
Thiết bị chống sét 5V là giải pháp bảo vệ tín hiệu siêu mỏng (8.7 mm) với dòng tải định mức cao 10A. Sản phẩm hỗ trợ băng thông 100 MHz, đạt chuẩn UL và tích hợp tính năng kiểm tra Life Control, giúp bảo vệ tối ưu các hệ thống dữ liệu nhạy cảm trong không gian lắp đặt hạn chế.
| Max continuous voltage AC | 7 V |
|---|---|
| Max continuous voltage DC | 10 V |
| Maximum discharge current | 10 kA |
| Poles | 4 |
| Plug-in system | Terminal |
Thiết bị chống sét 5V (tích hợp chức năng kiểm tra)
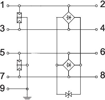
Chức năng: Chống sét tín hiệu tích hợp kiểm tra; phiên bản 5 V.
Dòng tải định mức: 10 A.
Cấu trúc: Thiết bị bảo vệ cho hệ thống đa dây.
Kết nối: Tiếp địa lớp bọc (shield) trực tiếp và cổng kẹp không vít.
Kích thước: Chiều rộng tiết kiệm không gian chỉ 8.7 mm.
Giám sát: Mạch bảo vệ có thể kiểm tra qua Life Control.
Băng thông: Hiệu suất truyền dẫn cao đến 100 MHz.
Tiêu chuẩn: Chứng nhận UL-listed (4DG1).
Ứng dụng: Sử dụng phổ biến trên thanh ray DIN 35 mm trong các tủ điện tiêu chuẩn.
| Approvals | UL |
|---|---|
| Capacity (wire-wire) | < 40 pF |
| CO2 Footprint (GWP) Cradle-to-Gate | 0,2969 kg CO2e / 1 Piece |
| Connection cross-section, flexible, max. | 2,5 mm² |
| Connection cross-section, flexible, min. | 0,14 mm² |
| Connection cross-section, multi-wire, max. | 1,5 mm² |
| Connection cross-section, multi-wire, min. | 0,14 mm² |
| Connection cross-section, rigid, max. | 2,5 mm² |
| Connection cross-section, rigid, min. | 0,14 mm² |
| Cut-off frequency | 100 MHz |
| Dimension | 5V |
| Earthing via: | DIN rail |
| Impulse durability wire-wire | C1: 0,5 kV / 0,25 kA (8/20µs) |
| Insertion loss | ≤3 dB |
| Insulation resistance | >10 MΩ |
| Kategorie | Type 1+2+3 / D1+C2+C1 |
| Lightning impulse current | 2 kA |
| Lightning protection zone LPZ | 0→3 |
| Maximum continuous voltage AC | 7 V |
| Maximum continuous voltage DC | 10 V |
| Nominal load current AC | 0,7 A |
| Nominal load current DC | 10 A |
| Nominal voltage | 5 V |
| Number of poles | 4 |
| Permitted temperature range, max. | 80 °C |
| Permitted temperature range, min. | -40 °C |
| Plug-in system | Terminal |
| Protection level wire-earth | <800 V |
| Protection level wire-wire | <45 V |
| Protection rating | IP20 |
| Screening | Direct |
| Shielding connection available | yes |
| Signalling on device | Readable |
| SPD to IEC 61643-21 | Class I+II+III / D1+C2+C1 |
| Testing standard | IEC 61643-21 |
| Total discharge current (10/350) | D1: 2 kA |
| Total discharge current (8/20) | 10 kA |