Trang chủ > Sản phẩm > Chống sét lan truyền đường nguồn > Thiết bị bảo vệ kết hợp 3 trong 1 dành cho hệ thống camera CCTV | 5081072
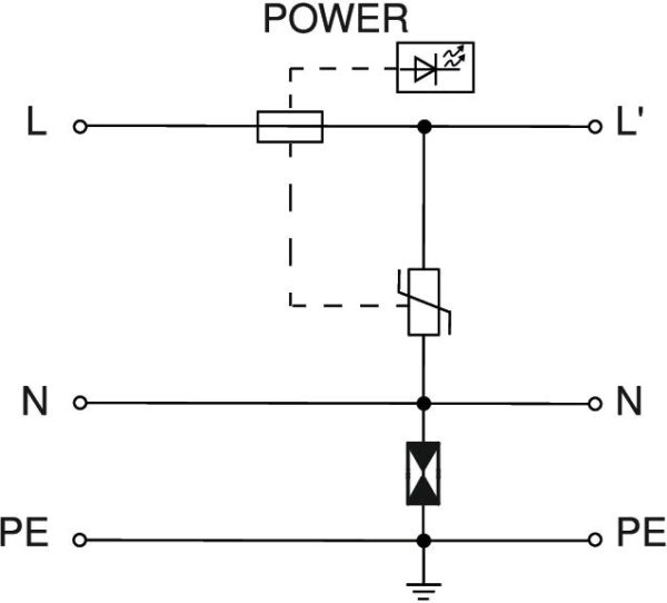
Thiết bị bảo vệ kết hợp 3 trong 1 là giải pháp an ninh chuyên dụng dành cho các hệ thống camera giám sát và TV sử dụng cáp đồng trục. Sản phẩm nổi bật với khả năng bảo vệ toàn diện cả đường nguồn và đường dữ liệu trên cùng một thân máy bằng nhôm cao cấp.
Với mạch bảo vệ hai cấp thông minh và đèn LED giám sát trạng thái, thiết bị giúp loại bỏ các rủi ro từ xung điện đột biến, bảo vệ an toàn cho camera và tín hiệu video. Thiết kế nhỏ gọn đi kèm bộ gắn thanh ray DIN giúp tối ưu không gian và thời gian lắp đặt trong các tủ kỹ thuật.
| Max continuous voltage AC | 255 V |
|---|---|
| Maximum discharge current | 10 kA |
| Plug-in system | BNC |
| Protection type | IP20 |
Thiết bị bảo vệ kết hợp 3 trong 1 cho hệ thống camera CCTV
Loại sản phẩm: Thiết bị bảo vệ hỗn hợp dành cho hệ thống TV/Camera sử dụng cáp đồng trục (coaxial systems).
Đặc điểm nổi bật:
Bảo vệ tích hợp: Bảo vệ đồng thời cả giao diện nguồn và giao diện dữ liệu trong cùng một thiết bị duy nhất.
Cấu tạo: Vỏ bằng nhôm chắc chắn, bền bỉ.
Lắp đặt: Đơn giản với bộ chuyển đổi (adapter); bao gồm sẵn bộ phụ kiện cố định trên thanh ray DIN.
Công nghệ: Mạch bảo vệ hai cấp (two-stage protection circuit) đảm bảo an toàn tối đa.
Cổng kết nối:
Giao diện nguồn: Kết nối nguồn loại 3 cực.
Hiển thị: Tích hợp đèn LED hiển thị trạng thái hoạt động (OS).
Ứng dụng: Bảo vệ hệ thống CCTV, tín hiệu video, các loại camera và/hoặc hệ thống TV.
| Channel performance Ansi/EA | CAT 5e |
|---|---|
| Channel performance ISO/IEC | Class E |
| CO2 Footprint (GWP) Cradle-to-Gate | 2,4524 kg CO2e / 1 Piece |
| Dimension | 230V |
| Earthing via: | Connection cable / DIN rail |
| Height | 37,1 mm |
| Length | 122,5 mm |
| Lightning protection zone LPZ | 1→3 |
| Maximum continuous voltage (L-N) | 255 V |
| Maximum discharge current (8/20 μs) | 10 kA |
| Nominal discharge current (8/20 µs) | 5 kA |
| Permitted temperature range, max. | 80 °C |
| Permitted temperature range, min. | -20 °C |
| Plug-in system | BNC |
| Protection level | <1,3 kV |
| Protection rating | IP20 |
| Rated current | 16 A |
| SPD to EN 61643-11 | Type 2+3 |
| SPD to IEC 61643-1 | Class II+III |
| Width | 100 mm |