Thiết bị bảo vệ kết hợp 2 trong 1 cho hệ thống camera CCTV PND-2in1-C-OS | 5081070

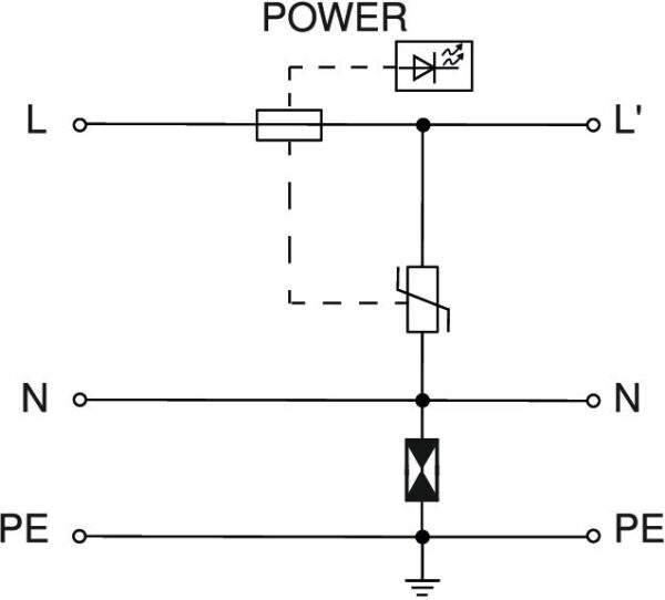
Thiết bị bảo vệ kết hợp 2 trong 1 là giải pháp an toàn tối ưu cho hệ thống camera giám sát (CCTV) và camera IP. Sản phẩm tích hợp khả năng bảo vệ đồng thời cả đường nguồn và đường dữ liệu RJ45 trên cùng một thiết bị vỏ nhôm chắc chắn. Với mạch bảo vệ hai cấp và đèn LED hiển thị trạng thái, thiết bị giúp ngăn chặn hiệu quả các xung đột biến điện áp, đảm bảo hệ thống an ninh vận hành liên tục.

Thiết kế đi kèm bộ gắn thanh ray DIN giúp việc lắp đặt trong tủ kỹ thuật trở nên nhanh chóng và chuyên nghiệp.

TƯ VẤN MUA HÀNG
Xuất xứ:
Đức
Nhà sản xuất:

Thông số kỹ thuật:

Additional information

Max continuous voltage AC

5.56 V

Max continuous voltage DC

8 V

Maximum discharge current

10 kA

Plug-in system

RJ45 8(8)

Protection type

IP20

Nội dung sản phẩm

Thiết bị bảo vệ kết hợp 2 trong 1 cho hệ thống camera CCTV

  • Loại sản phẩm: Thiết bị bảo vệ hỗn hợp dành cho hệ thống TV/Camera dựa trên nền tảng IP.

  • Đặc điểm nổi bật:

    • Bảo vệ kép: Tích hợp bảo vệ cả giao diện nguồn và giao diện dữ liệu trong cùng một thiết bị duy nhất.

    • Cấu tạo: Vỏ bằng nhôm bền bỉ.

    • Lắp đặt: Đơn giản với đầu cắm bộ chuyển đổi (adapter plug); bao gồm bộ phụ kiện cố định trên thanh ray DIN.

    • Công nghệ: Mạch bảo vệ hai cấp (two-stage protection circuit).

  • Cổng kết nối:

    • Giao diện nguồn: Kết nối nguồn 3 cực.

    • Giao diện dữ liệu: Kết nối cổng RJ45.

  • Hiển thị: Tích hợp đèn LED hiển thị trạng thái hoạt động (OS).

  • Ứng dụng: Bảo vệ hệ thống CCTV, tín hiệu video, camera (IP) và/hoặc các hệ thống TV.

Thông số kỹ thuật chi tiết

CO2 Footprint (GWP) Cradle-to-Gate 2,4562 kg CO2e / 1 Piece
Cut-off frequency 100
MHz
Dimension 230V
Earthing via: Connection cable / DIN rail
Height 37,1
mm
Impulse durability wire-earth C2: 3 kV / 1,5 kA (8/20µs)
Impulse durability wire-wire C1: 0,3 kV / 0,15 kA (8/20µs)
Kategorie Type 1+2+3 / D1+C2+C1
Length 122,5
mm
Lightning protection zone LPZ 1→3
Maximum continuous voltage (L-N) 255
V
Maximum continuous voltage AC 5,65
V
Maximum continuous voltage DC 8
V
Maximum discharge current (8/20 μs) 10
kA
Nominal discharge current (8/20 µs) 5
kA
Permitted temperature range, max. 80
°C
Permitted temperature range, min. -20
°C
Plug-in system RJ45 8(8)
Protection level <1,3
kV
Protection level wire-earth <450
V
Protection level wire-wire <40
V
Protection rating IP20
Rated current 10
A
Screening Direct
Shielding connection available yes
SPD to EN 61643-11 Type 2+3
SPD to IEC 61643-1 Class II+III
SPD to IEC 61643-21 Class I+II+III / D1+C2+C1
Testing standard IEC 61643-21
Width 100
mm

Downloads and CAD

PDF
Thông tin sản phẩm
PND-2in1-C-OS-5081070-en_GB
PDF, 237 KB

SẢN PHẨM NỔI BẬT

liên hệ

Liên hệ mua hàng